ZDL5000示波記錄儀
專業版 得心應手
專業版 得心應手
ZDL5000的記錄能力
ZDL5000示波記錄儀能在示波模式和記錄模式下分別進行數據記錄,在選用2T固態硬盤時,即使在200KS/s采樣率下,ZDL5000依然最高能保存5天波形數據。
模塊通道全隔離
ZDL5000最多可以同時選擇8個模塊進行測試,每張模塊之前相互絕緣、屏蔽,這一特性非常適用于電力電子領域的高壓測試和抗干擾測試。
數據保存與回讀
示波記錄儀可以將所有測試數據保存成多種格式,所有數據現場保存之后可以再次導入示波記錄儀,用于二次分析。
支持多種標準格式導出
除了標準的格式之外,ZDL5000示波記錄儀還支持直接導出二進制、CSV、FLOAT、matlab、labview、SystemView等標準格式,用戶可以直接使用數據的標準文件進行深層次的數據分析,無論是數據二次回讀、開發軟件分析都十分便捷。
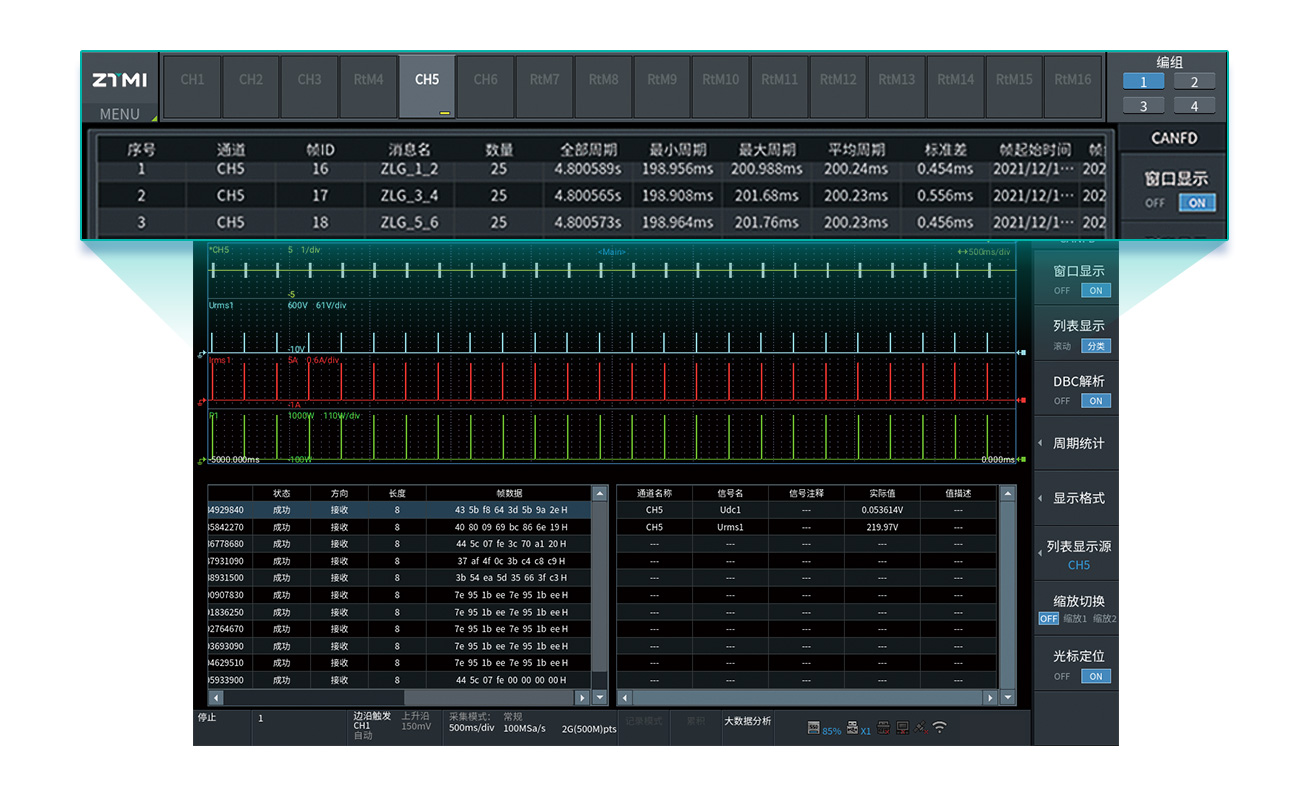
DBC報文解析與CAN報文統計
ZDL5000示波記錄儀配合CAN 接口模塊可以實現對CAN 信號的同步測試,通過加載DBC 文件可以對新能源汽車的CAN信號進行數字轉化,從而達到對CAN報文統計分析的能力。
